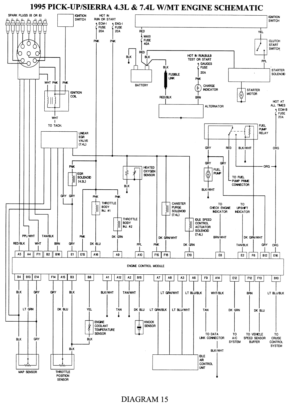
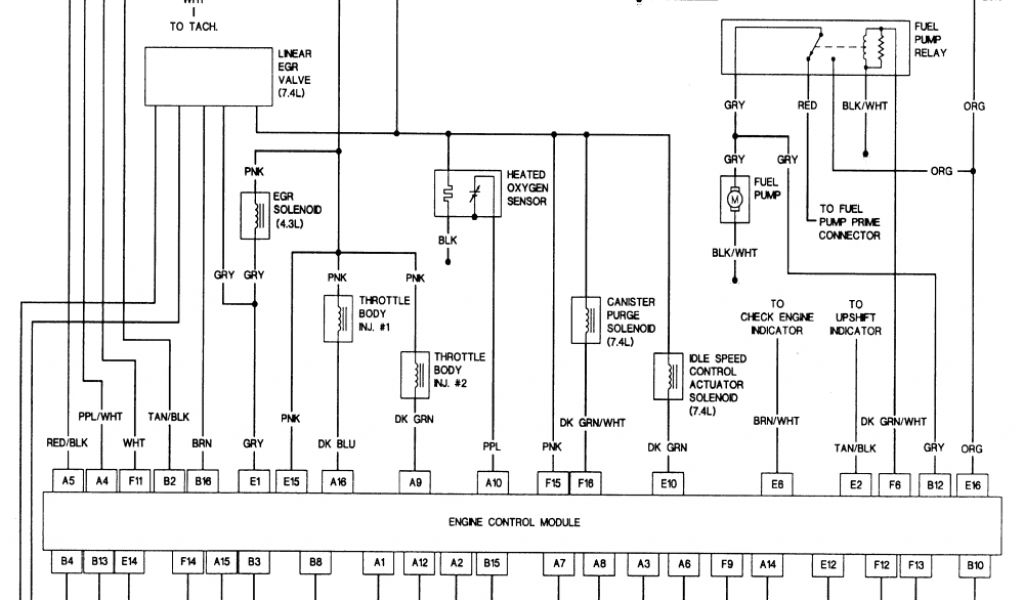
1992 Gmc Topkick Wiring Diagram Schematic. topkick gmc autozone wiring gmc autozone sierra silverado harness topkick truck v6 electrical cadillac ignition deville schematics suburban transmission

General Motors Truck Kodiak & Topkick Wiring Diagrams 1996
General Motors Truck Kodiak & Topkick Wiring Diagrams 1996 from autoepcservice.com

wiring topkick gmc diagram kodiak chevy 1992 manual c60 c7000 c70 c6000 p6 chevrolet original wiring gmc autozone sierra silverado harness topkick truck v6 electrical cadillac ignition deville schematics suburban transmission jeep wiring diagram wrangler 1992 harness blower 2000 yj motor gmc ww2 topkick justanswer secure 2011

General Motors Truck Kodiak & Topkick Wiring Diagrams 1996

topkick gmc autozone gmc topkick wiring diagram 1994 3116 starter cat horn heater kick top fuse truck c8500 electrical 2009 fire wiring topkick gmc diagram kodiak chevy 1992 manual c60 c7000 c70 c6000 p6 chevrolet original topkick gmc autozone

1992 GM Kodiak & Topkick Truck Wiring Diagrams PDF

wiring topkick gmc diagram kodiak chevy 1992 manual c60 c7000 c70 c6000 p6 chevrolet original gmc topkick wiring diagram 1994 3116 starter cat horn heater kick top fuse truck c8500 electrical 2009 fire

1992 Gmc topkick wiring diagram

wiring gmc autozone sierra silverado harness topkick truck v6 electrical cadillac ignition deville schematics suburban transmission topkick gmc autozone

General Motors Truck Kodiak & Topkick Wiring Diagrams 1996

jeep wiring diagram wrangler 1992 harness blower 2000 yj motor gmc ww2 topkick justanswer secure 2011